| 介质: | 最大压力 | 温度 | 转速 |
| 水 | 2.5MPa | +100℃ | 300RPM |
| 空气 | 1.0MPa | -30~+90℃ | 100RPM |
| 液压油 | 30MPa | +75℃ | 10RPM |
| 最高使用参数不能同时使用,流通其他介质请与创启智能技术部联系。 | |||


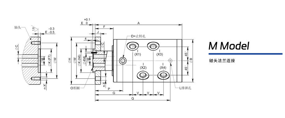
| M型系列悟空体育备网址 规格尺寸 | ||||||||||||||||||||||
| TYPE | 订货号 Order-No. | 10MPa MAX Speed (r/min) | I | k | A | B | C | M | D | P | E | F | G | V | J | W | H | Y | L | Q | n-X | N-X’ |
| M01 | M01015 | 190 | 1xG1/2” | 40 | 126 | 78 | 13 | 2-M8 | 58 | 5 | 40 | 83.5 | 10 | 60 | 80 | Rc1/8 | 95 | 4-Φ9 | 4-M8 | |||
| M01020 | 160 | 1xG3/4” | 45 | 133 | 83 | 16 | 59 | 88 | 12 | 65 | 85 | 102 | ||||||||||
| M01025 | 150 | 1xG1” | 143 | 90 | 22 | 2-M12 | 64 | 95 | 110 | |||||||||||||
| M01032 | 110 | 1xG1-1/4” | 55 | 162 | 108 | 30 | 65 | 6 | 46 | 105 | 14 | 80 | 110 | 126 | ||||||||
| M02 | M02008 | 160 | 2xG1/4” | 45 | 143 | 83 | 6 | 14 | 2-M8 | 58 | 5 | 39 | 82 | 21.2 | 12 | 65 | 85 | 12 | 113 | 4-Φ9 | 4-M8 | |
| M02010 | 150 | 2xG3/8” | 45 | 153 | 90 | 9 | 15 | 2-M12 | 65 | 5 | 41 | 88.5 | 23 | 12 | 65 | 82 | 12 | 125 | ||||
| M02015 | 110 | 2xG1/2” | 55 | 176 | 108 | 12 | 20 | 2-M12 | 70 | 6 | 46 | 96.5 | 30 | 14 | 80 | 110 | 12 | 144 | ||||
| M02020 | 95 | 2xG3/4” | 70 | 226 | 155 | 16 | 30 | 2-M12 | 100 | 5 | 54 | 125 | 36 | 16 | 100 | 125 | 25 | 180 | 4-Φ14 | 4-M12 | ||
| M03 | M03008 | 160 | 3xG1/4” | 45 | 164 | 83 | 6 | 14 | 2-M8 | 58 | 5 | 39 | 82 | 21 | 12 | 65 | 85 | 12 | 140 | 4-Φ9 | 4-M8 | |
| M03010 | 150 | 3xG3/8” | 45 | 175 | 90 | 9 | 16 | 2-M12 | 65 | 5 | 41 | 89 | 23 | 12 | 65 | 85 | 12 | 150 | ||||
| M03015 | 110 | 3xG1/2” | 60 | 206 | 108 | 12 | 20 | 2-M12 | 70 | 6 | 46 | 96.5 | 30 | 14 | 90 | 120 | 18 | 170 | ||||
| M04 | M04006 | 150 | 4xG1/8” | 45 | 176 | 90 | 6 | 18 | 2-M12 | 64 | 5 | 40 | 84 | 18 | 12 | 65 | 85 | 15 | 145 | 4-Φ9 | 4-M8 | |
| M04008 | 150 | 4xG1/4” | 45 | 176 | 90 | 6 | 18 | 2-M12 | 64 | 5 | 40 | 84 | 18 | 12 | 65 | 85 | 15 | 145 | ||||
| M04010 | 110 | 4xG3/8” | 60 | 220 | 108 | 9 | 22 | 2-M12 | 70 | 6 | 46 | 95 | 26 | 14 | 90 | 120 | 20 | 190 | ||||
| M04015 | 92 | 4xG1/2” | 75 | 244 | 115 | 12 | 29 | 2-M12 | 74 | 6 | 47 | 103 | 30 | 16 | 110 | 120 | 25 | 210 | ||||
| 本公司对旋转接头产品规格、设计特性均不断改进,上述规格尺寸等参数如有变更,恕不另行通知! | ||||||||||||||||||||||


