
| 介质 水 最大使用压力: | 150 PSI | 10 bar | ||
| 介质 液压油 最大使用压力: | ||||
| Model | 1005 | 1020 PSI | 70 bar | |
| 1102 | 1020 PSI | 70 bar | ||
| 悟空体育竞技 5 | 510 PSI | 35 bar | ||
| 1205 | 730 PSI | 50 bar | ||
| 2200 | 1020 PSI | 70 bar | ||
| 250-094 | 1020 PSI | 70 bar | ||
| 355-021 | 1020 PSI | 70 bar | ||
| 452-000 | 730 PSI | 50 bar | ||
| 最大真空度: | 2 Hg | 7 kPa | ||
| 最高使用速度(转子): | ||||
| Model | 250-094 | 3500 RPM | 3500 min-1 | |
| 355-021 | 3000 RPM | 3000 min-1 | ||
| 452-000 | 2500 RPM | 2500 min-1 | ||
| 最高使用温度: | 120℃ | >120℃ 请咨询创启旋转接头 | ||


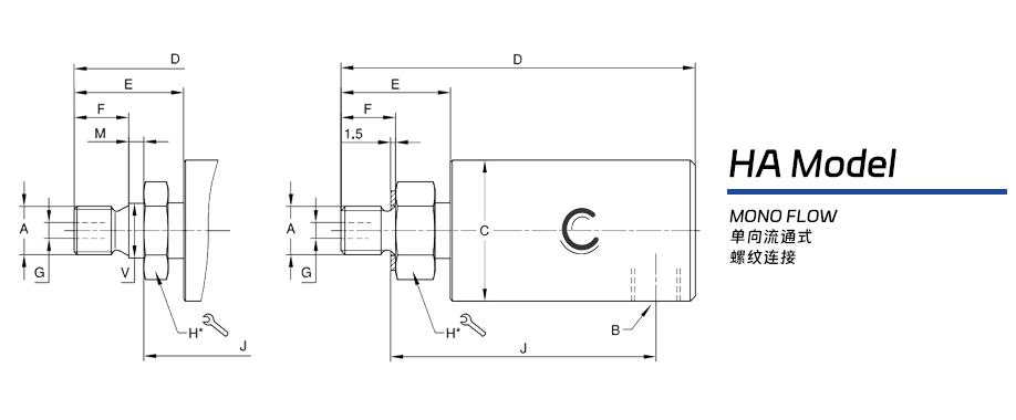
| HA系列空气旋转接头 - 单向流通式 - 螺纹连接 | |||||||||||||
| DN | Model | B(G) | A | C | D | E | F | G | H | J | M | V | kg |
| 06 | 1005-020-037 | 1/8 | M10×1RH | 28.5 | 71 | 22 | 11 | 3.2 | 17 | 54 | - | - | 0.2 |
| 06 | 1005-020-037 | 1/8 | M10×1RH | 28.5 | 71 | 22 | 11 | 3.2 | 17 | 50 | 3 | 11 h6 | 0.2 |
| 06 | 1005-020-049 | 1/8 | G1/4RH | 28.5 | 71 | 22 | 13 | 3.2 | 17 | 52 | - | - | 0.2 |
| 08 | 1102-070-103 | 1/4 | G1/4RH | 41 | 81 | 28 | 13 | 6.4 | 22 | 58 | - | - | 0.4 |
| 08 | 1102-070-104 | 1/4 | G1/4LH | 41 | 81 | 28 | 13 | 6.4 | 22 | 58 | - | - | 0.4 |
| 10 | 悟空体育竞技 5-000-205 | 3/8 | G3/8RH | 44 | 99 | 26 | 16 | 8.7 | 24 | 71 | - | - | 0.7 |
| 10 | 悟空体育竞技 5-000-200 | 3/8 | M16×2RH | 44 | 99 | 26 | 16 | 8.7 | 24 | 71 | - | - | 0.7 |
| 15 | 1205-000-151 | 1/2 | G1/2RH | 57 | 114 | 35 | 19 | 12.7 | 30 | 79 | - | - | 0.7 |
| 15 | 1205-000-152 | 1/2 | G1/2LH | 57 | 114 | 35 | 19 | 12.7 | 30 | 79 | - | - | 0.7 |
| 15 | 1205-000-170 | 1/2 | M20×1.5RH | 57 | 116 | 37 | 14 | 12.7 | 30 | 78 | 5 | 22 g6 | 0.7 |
| 15 | 1205-000-171 | 1/2 | M20×1.5LH | 57 | 116 | 37 | 14 | 12.7 | 30 | 78 | 5 | 22 g6 | 0.7 |
| 15 | 2200-000-458 | 1/2 | M27×1.5RH | 73 | 123 | 35 | 15 | 17.5 | 36 | 85 | 6 | 28 g6 | 0.7 |
| 15 | 2200-000-459 | 1/2 | M27×1.5LH | 73 | 123 | 35 | 15 | 17.5 | 36 | 85 | 6 | 28 g6 | 0.7 |
| 15 | 2200-000-081 | 1/2 | M35×1.5RH | 73 | 125 | 38 | 15 | 17.5 | 41 | 96 | - | - | 1.6 |
| 15 | 2200-000-082 | 1/2 | M35×1.5LH | 73 | 125 | 38 | 15 | 17.5 | 41 | 96 | - | - | 1.6 |
| 15 | 2200-000-102 | 1/2 | G3/4RH | 73 | 122 | 34 | 19 | 17.5 | 36 | 88 | - | - | 1.4 |
| 15 | 2200-000-103 | 1/2 | G3/4LH | 73 | 122 | 34 | 19 | 17.5 | 36 | 88 | - | - | 1.4 |
| 20 | 250-094-284 | 3/4 | G3/4RH | 73 | 128 | 34 | 19 | 17.5 | 36 | 94 | - | - | 1.6 |
| 20 | 250-094-285 | 3/4 | G3/4LH | 73 | 128 | 34 | 19 | 17.5 | 36 | 94 | - | - | 1.6 |
| 20 | 250-094-458 | 3/4 | M27×1.5RH | 73 | 129 | 35 | 15 | 17.5 | 36 | 91 | 6 | 28 g6 | 1.6 |
| 20 | 250-094-459 | 3/4 | M27×1.5LH | 73 | 129 | 35 | 15 | 17.5 | 36 | 91 | 6 | 28 g6 | 1.6 |
| 20 | 250-094-014 | 3/4 | M35×1.5RH | 73 | 131 | 35 | 15 | 17.5 | 41 | 101 | - | - | 1.6 |
| 20 | 250-094-015 | 3/4 | M35×1.5LH | 73 | 131 | 35 | 15 | 17.5 | 41 | 101 | - | - | 1.6 |
| 25 | 355-021-222 | 1 | G1RH | 83 | 150 | 42 | 22 | 25 | 36 | 108 | - | - | 2.1 |
| 25 | 355-021-223 | 1 | G1LH | 83 | 150 | 42 | 22 | 25 | 36 | 108 | - | - | 2.1 |
| 25 | 355-021-235 | 1 | M35×1.5RH | 83 | 144 | 35 | 15 | 25 | 36 | 108 | - | - | 2.1 |
| 25 | 355-021-236 | 1 | M35×1.5LH | 83 | 144 | 35 | 15 | 25 | 36 | 108 | - | - | 2.1 |
| 25 | 355-021-315 | 1 | M35×1.5RH | 83 | 167 | 59 | 29 | 25 | 36 | 103 | 12 | 40 g6 | 2.1 |
| 25 | 355-021-316 | 1 | M35×1.5LH | 83 | 167 | 59 | 29 | 25 | 36 | 103 | 12 | 40 g6 | 2.1 |
| 40 | 452-000-198 | 1-1/2 | G1-1/2RH | 108 | 206 | 71 | 29 | 38 | 55 | 147 | - | - | 4.5 |
| 40 | 452-000-199 | 1-1/2 | G1-1/2LH | 108 | 206 | 71 | 29 | 38 | 55 | 147 | - | - | 4.5 |
| 40 | 452-000-200 | 1-1/2 | M50×1.5RH | 108 | 200 | 66 | 23 | 38 | 55 | 147 | - | - | 4.5 |
| 40 | 452-000-201 | 1-1/2 | M50×1.5LH | 108 | 200 | 66 | 23 | 38 | 55 | 147 | - | - | 4.5 |
| 注:如需订购异形非标旋转接头产品请联系山东创启技术部索取图纸 | |||||||||||||






