
| 介质 热水 最大使用压力: | DN | 10~100 | 230 PSI | 18 bar |
| 介质 蒸汽 最大使用压力: | 10~100 | 750 PSI | 50 bar | |
| 介质 热油 最大使用压力: | 10~100 | 290 PSI | 20 bar | |
| 最大真空度: | 10~100 | 2 Hg | 7 kPa | |
| 最高使用速度(转子): | ||||
| DN | 10~15 | 750 RPM | 750 min-1 | |
| 20-32 | 500 RPM | 500 min-1 | ||
| 40-50 | 300 RPM | 300 min-1 | ||
| 65 | 100 RPM | 100 min-1 | ||
| 80~100 | 30 RPM | 30 min-1 | ||
| 最高使用温度: | 120℃ | >120℃ 请咨询创启旋转接头 | ||


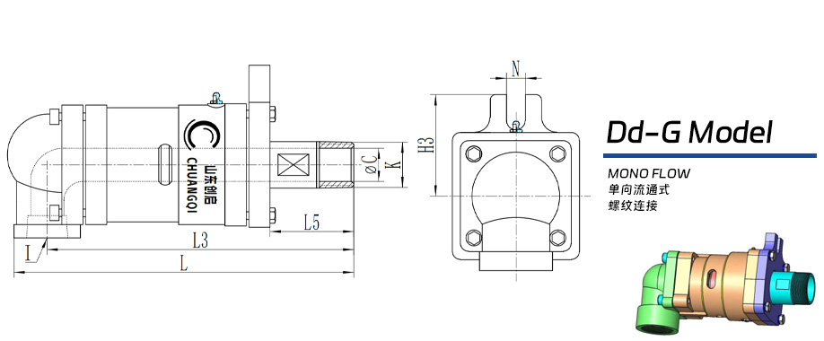
| D型旋转接头 - 单向流通式 - 螺纹连接 | |||||||||
| DN | Model | K | I | L | L3 | L5 | H3 | N | C |
| 10 | Dd10 | R⅜ | Rc⅜ | 164 | 149 | 36 | 55 | 14 | 10 |
| 15 | Dd15 | R½ | Rc½ | 175 | 158 | 42 | 55 | 14 | 14 |
| 20 | Dd20 | R¾ | Rc¾ | 197 | 177 | 45 | 65 | 18 | 18 |
| 25 | Dd25 | R1 | Rc1 | 256 | 231 | 63 | 70 | 14 | 25 |
| 32 | Dd32 | R1¼ | Rc1¼ | 264 | 234 | 58 | 82 | 18 | 32 |
| 40 | Dd40 | R1½ | Rc1½ | 288 | 256 | 60 | 92 | 20 | 38 |
| 50 | Dd50 | R2 | Rc2 | 308 | 270 | 56 | 95 | 18 | 50 |
| 65 | Dd65 | R2½ | Rc2½ | 359 | 314 | 72 | 120 | 20 | 65 |
| 80 | Dd80 | R3 | Rc3 | 404 | 348 | 94 | 130 | 24 | 75 |
| 100 | Dd100 | R4 | Rc4 | 532 | 464 | 109 | 160 | 28 | 100 |
| 本公司对D型旋转接头产品规格、设计特性均不断改进,上述规格尺寸等参数如有变更,恕不另行通知! | |||||||||

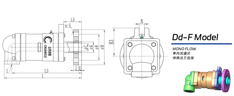
| Dd-F型旋转接头 - 单向流通式 - 快换法兰连接 | ||||||||||||||
| DN | Model | K | I | L | L3 | L5 | H | H3 | N | C | W | J | E | n-X |
| 15 | Dd-F15 | R½ | Rc½ | 185 | 170 | 57 | 95 | 55 | 14 | 10 | 65 | 14 | 8 | 4-14 |
| 20 | Dd-F20 | R¾ | Rc¾ | 201 | 181 | 49 | 105 | 65 | 18 | 18 | 75 | 16 | 8 | 4-14 |
| 25 | Dd-F25 | R1 | Rc1 | 257 | 232 | 64 | 115 | 70 | 14 | 25 | 85 | 16 | 10 | 4-14 |
| 32 | Dd-F32 | R1¼ | Rc1¼ | 266 | 236 | 60 | 140 | 82 | 18 | 32 | 100 | 18 | 12 | 4-18 |
| 40 | Dd-F40 | R1½ | Rc1½ | 299 | 267 | 71 | 150 | 92 | 20 | 38 | 110 | 18 | 12 | 4-18 |
| 50 | Dd-F50 | R2 | Rc2 | 320 | 282 | 68 | 165 | 95 | 18 | 50 | 125 | 20 | 15 | 4-18 |
| 65 | Dd-F65 | R2½ | Rc2½ | 359 | 314 | 72 | 185 | 120 | 20 | 65 | 145 | 20 | 18 | 4-18 |
| 80 | Dd-F80 | R3 | Rc3 | 385 | 329 | 75 | 200 | 130 | 24 | 75 | 160 | 20 | 20 | 8-18 |
| 100 | Dd-F100 | R4 | Rc4 | 532 | 464 | 109 | 220 | 160 | 28 | 100 | 180 | 22 | 22 | 8-18 |
| 本公司对D型旋转接头产品规格、设计特性均不断改进,上述规格尺寸等参数如有变更,恕不另行通知! | ||||||||||||||

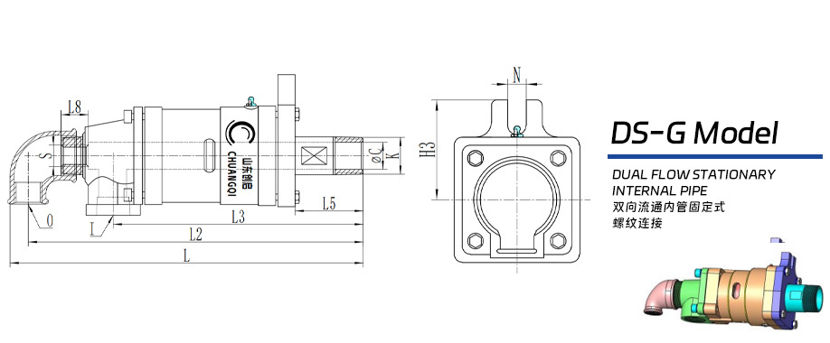
| DS-G型旋转接头 - 双向流通内管固定式 - 螺纹连接 | |||||||||||||
| DN | Model | K | I | O | S | L | L2 | L3 | L5 | L8 | H3 | N | C |
| 15 | DS-G15-6 | R½ | Rc½ | Rc½ | G⅛ | 217 | 204 | 156 | 42 | 15 | 55 | 14 | 14 |
| 20 | DS-G20-8 | R¾ | Rc¾ | Rc½ | G¼ | 244 | 229 | 175 | 45 | 15 | 65 | 18 | 18 |
| 25 | DS-G25-10 | R1 | Rc1 | Rc½ | G⅜ | 303 | 288 | 223 | 63 | 28 | 70 | 14 | 25 |
| 32 | DS-G32-15 | R1¼ | Rc1¼ | Rc½ | G½ | 311 | 294 | 224 | 58 | 25 | 82 | 18 | 32 |
| 40 | DS-G40-20 | R1½ | Rc1½ | Rc¾ | G¾ | 353 | 335 | 253 | 60 | 30 | 92 | 20 | 38 |
| 50 | DS-G50-25 | R2 | Rc2 | Rc1 | G1 | 358 | 338 | 254 | 56 | 35 | 95 | 18 | 50 |
| 65 | DS-G65-32 | R2½ | Rc2½ | Rc1¼ | G1¼ | 422 | 394 | 295 | 72 | 45 | 120 | 20 | 65 |
| 80 | DS-G80-50 | R3 | RC3 | R2 | G2 | 501 | 465 | 338 | 94 | 38 | 130 | 24 | 75 |
| 100 | DS-G100-65 | R4 | RC4 | R2½ | G2½ | 665 | 619 | 457 | 109 | 40 | 160 | 28 | 100 |
| 本公司对D型旋转接头产品规格、设计特性均不断改进,上述规格尺寸等参数如有变更,恕不另行通知! | |||||||||||||

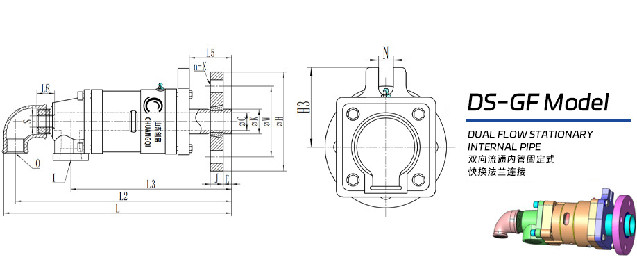
| DS-GF型旋转接头 - 双向流通内管固定式 - 快换法兰连接 | ||||||||||||||||||
| DN | Model | K | I | O | S | L | L2 | L3 | L5 | L8 | H | H3 | N | C | W | J | E | n-X |
| 15 | DS-GF15-6 | R½ | Rc½ | Rc½ | G⅛ | 217 | 204 | 156 | 42 | 15 | 95 | 55 | 14 | 14 | 65 | 14 | 8 | 4-14 |
| 20 | DS-GF20-8 | R¾ | Rc¾ | Rc½ | G¼ | 244 | 229 | 175 | 45 | 15 | 105 | 65 | 18 | 18 | 75 | 16 | 8 | 4-14 |
| 25 | DS-GF25-10 | R1 | Rc1 | Rc½ | G⅜ | 303 | 288 | 223 | 63 | 28 | 115 | 70 | 14 | 25 | 95 | 16 | 10 | 4-14 |
| 32 | DS-GF32-15 | R1¼ | Rc1¼ | Rc½ | G½ | 311 | 294 | 224 | 58 | 25 | 140 | 82 | 18 | 32 | 100 | 18 | 12 | 4-18 |
| 40 | DS-GF40-20 | R1½ | Rc1½ | Rc¾ | G¾ | 353 | 335 | 253 | 60 | 30 | 150 | 92 | 20 | 38 | 110 | 18 | 12 | 4-18 |
| 50 | DS-GF50-25 | R2 | Rc2 | Rc1 | G1 | 358 | 338 | 254 | 56 | 35 | 165 | 95 | 18 | 50 | 125 | 20 | 15 | 4-18 |
| 65 | DS-GF65-32 | R2½ | Rc2½ | Rc1¼ | G1¼ | 422 | 394 | 295 | 72 | 45 | 185 | 120 | 20 | 65 | 145 | 20 | 18 | 4-18 |
| 80 | DS-GF80-50 | R3 | RC3 | R2 | G2 | 501 | 465 | 338 | 94 | 38 | 200 | 130 | 24 | 75 | 160 | 20 | 20 | 8-18 |
| 100 | DS-GF100-65 | R4 | RC4 | R2½ | G2½ | 665 | 619 | 457 | 109 | 40 | 220 | 160 | 28 | 100 | 180 | 22 | 22 | 8-18 |
| 本公司对D型旋转接头产品规格、设计特性均不断改进,上述规格尺寸等参数如有变更,恕不另行通知! | ||||||||||||||||||

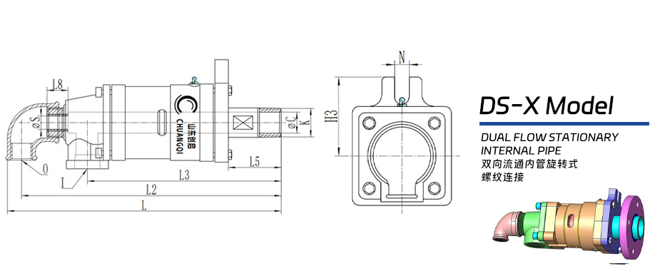
| DS-X型旋转接头 - 双向流通内管旋转式 - 螺纹连接 | |||||||||||||
| DN | Model | K | I | O | S | L | L2 | L3 | L5 | L8 | H3 | N | C |
| 15 | DS-X15-6 | R½ | Rc½ | Rc½ | 10 | 217 | 204 | 156 | 42 | 15 | 55 | 14 | 14 |
| 20 | DS-X20-8 | R¾ | Rc¾ | Rc½ | 12 | 244 | 229 | 175 | 45 | 15 | 65 | 18 | 18 |
| 25 | DS-X25-10 | R1 | Rc1 | Rc½ | 16 | 303 | 288 | 223 | 63 | 28 | 70 | 14 | 25 |
| 32 | DS-X32-15 | R1¼ | Rc1¼ | Rc½ | 19 | 311 | 294 | 224 | 58 | 25 | 82 | 18 | 32 |
| 40 | DS-X40-20 | R1½ | Rc1½ | Rc¾ | 25 | 353 | 335 | 253 | 60 | 30 | 92 | 20 | 38 |
| 50 | DS-X50-25 | R2 | Rc2 | Rc1 | 31 | 358 | 338 | 254 | 56 | 35 | 95 | 18 | 50 |
| 65 | DS-X65-32 | R2½ | Rc2½ | Rc1¼ | 40 | 422 | 394 | 295 | 72 | 45 | 120 | 20 | 65 |
| 80 | DS-X80-50 | R3 | RC3 | R2 | 46 | 501 | 465 | 338 | 94 | 38 | 130 | 24 | 75 |
| 100 | DS-X100-65 | R4 | RC4 | R2½ | 73 | 665 | 619 | 457 | 109 | 40 | 160 | 28 | 100 |
| 本公司对D型旋转接头产品规格、设计特性均不断改进,上述规格尺寸等参数如有变更,恕不另行通知! | |||||||||||||

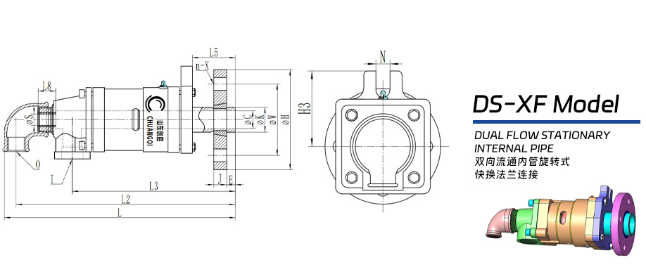
| DS-XF型旋转接头 - 双向流通内管旋转式 - 快换法兰连接 | ||||||||||||||||||
| DN | Model | K | I | O | S | L | L2 | L3 | L5 | L8 | H | H3 | N | C | W | J | E | n-X |
| 15 | DS-XF15-6 | R½ | Rc½ | Rc½ | 10 | 217 | 204 | 156 | 42 | 15 | 95 | 55 | 14 | 14 | 65 | 14 | 8 | 4-14 |
| 20 | DS-XF20-8 | R¾ | Rc¾ | Rc½ | 12 | 244 | 229 | 175 | 45 | 15 | 105 | 65 | 18 | 18 | 75 | 16 | 8 | 4-14 |
| 25 | DS-XF25-10 | R1 | Rc1 | Rc½ | 16 | 303 | 288 | 223 | 63 | 28 | 115 | 70 | 14 | 25 | 95 | 16 | 10 | 4-14 |
| 32 | DS-XF32-15 | R1¼ | Rc1¼ | Rc½ | 19 | 311 | 294 | 224 | 58 | 25 | 140 | 82 | 18 | 32 | 100 | 18 | 12 | 4-18 |
| 40 | DS-XF40-20 | R1½ | Rc1½ | Rc¾ | 25 | 353 | 335 | 253 | 60 | 30 | 150 | 92 | 20 | 38 | 110 | 18 | 12 | 4-18 |
| 50 | DS-XF50-25 | R2 | Rc2 | Rc1 | 31 | 358 | 338 | 254 | 56 | 35 | 165 | 95 | 18 | 50 | 125 | 20 | 15 | 4-18 |
| 65 | DS-XF65-32 | R2½ | Rc2½ | Rc1¼ | 40 | 422 | 394 | 295 | 72 | 45 | 185 | 120 | 20 | 65 | 145 | 20 | 18 | 4-18 |
| 80 | DS-XF80-50 | R3 | RC3 | R2 | 46 | 501 | 465 | 338 | 94 | 38 | 200 | 130 | 24 | 75 | 160 | 20 | 20 | 8-18 |
| 100 | DS-XF100-65 | R4 | RC4 | R2½ | 73 | 665 | 619 | 457 | 109 | 40 | 220 | 160 | 28 | 100 | 180 | 22 | 22 | 8-18 |
| 本公司对D型旋转接头产品规格、设计特性均不断改进,上述规格尺寸等参数如有变更,恕不另行通知! | ||||||||||||||||||








