
| 介质 水 最大使用压力: | Φ | 28~40 | 145 PSI | 10 bar |
| 介质 空气 最大使用压力: | 28~40 | 145 PSI | 10 bar | |
| 介质 液压油 最大使用压力: | 28~40 | 145 PSI | 10 bar | |
| 最高使用速度(转子): | ||||
| Φ | 28 | 750 RPM | 750 min-1 | |
| Φ | 35 | 500 RPM | 500 min-1 | |
| Φ | 40 | 300 RPM | 300 min-1 | |
| 最高使用温度: | 100℃ | >100℃ 请咨询创启旋转接头 | ||


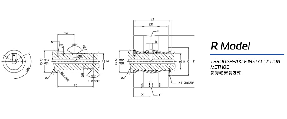
| R型贯穿轴安装旋转接头 - 多通式 - 螺纹方式连接 | |||||||||||||
| Model | ø A1 E8 | ø A2 h8 | B | ø D | E1 | E2 | ø F | ø G | X | Y | ø Z MIN | ø Z MAX | Kg |
| ø28 | 28 | 28 | G1/4″ | 5 | 78 | 72 | 108 | 59 | 36 | M6 | 35 | 55 | 4.4 |
| ø35 | 35 | 35 | G1/4″ | 5 | 78 | 72 | 108 | 59 | 36 | M6 | 42 | 55 | 4.2 |
| ø40 | 40 | 40 | G1/4″ | 5 | 78 | 72 | 108 | 59 | 36 | M6 | 47 | 55 | 4 |








