
| 介质 空气 最大使用压力: | DN | 145 PSI | 10 bar | |
| 介质 液压油 最大使用压力: | 3000 PSI | 207 bar | ||
| 最大真空度: | 28" Hg | |||
| 最高使用速度(转子): | ||||
| DN | 250 RPM | 250 min-1 | ||
| 最高使用温度: | 120℃ | >120℃ 请咨询创启旋转接头 | ||


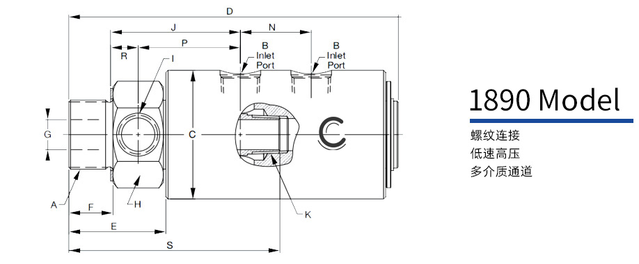
| 1890型两通路液压旋转接头 - 双通路 - 螺纹连接 | ||||||||||||||||
| Model | B Port NPT | A Rotor Thread | C Dia. | D | E | F | G Rotor ID | H** Across Flats | I Tap NPT | J Lock-up | K Tap NPT | N | P | R | S | Shpg Wt. |
| 1890-100 | (2)x3⁄4" | 1-1⁄2" NPT RH | 3-1⁄2" | 8-7⁄8 | 2-5⁄8" | 1-3⁄16" | 13⁄16" | 63.5 | 3⁄4" | 4-3⁄32" | 3⁄4" | 1-29⁄32" | 2-3⁄4" | 11⁄16" | – | 9-3⁄4# |
| 1890-110* | (2)x3⁄4" | 1-1⁄2" NPT RH | 3-1⁄2" | 8-7⁄8 | 2-5⁄8" | 1-3⁄16" | 13⁄8" | 63.5 | 3⁄4" | 4-3⁄32" | 3⁄4" | 1-29⁄32" | 2-3⁄4" | 11⁄16" | 5-13⁄16" | 9-3⁄4# |
| 1890-060 | (2)x3⁄4" | G1-1⁄2" (BSP) RH | 88.9 | 225.4 | 66.6 | 30.2 | 20.6 | 63.5 | 3⁄4" | 91.3 | 3⁄4" | 48.4 | 69.8 | 17.5 | – | 4.4 Kg |
| 1790-001-112* | (2)x3⁄4" | G1-1⁄4" (BSP) RH | 88.9 | 225.4 | 66.6 | 30.2 | 34.9 | 63.5 | 3⁄4" | 91.3 | 3⁄4" | 48.4 | 69.8 | 17.5 | 147.6 | 4.4 Kg |

| 1890型两通路液压旋转接头 - 双通路 - 螺纹连接 | |||||||||||||||||||||
| Model | A | B1 | B2 | B3 | C | D | E | F | G | H | I | J | K | N | P | R | T | U | W | X | Shpg |
| 1890-116 | 1-1⁄2" NPT RH | 1⁄4" | 3⁄4" | 3⁄4" | 3-1⁄2" | 11-17⁄32" | 2-5⁄8" | 1-3⁄16" | 13⁄16" | 63.5 | 3⁄4" | 4-3⁄32" | 3⁄4" | 1-29⁄32" | 2-13⁄16" | 11⁄16" | 7-1⁄2" | 1⁄4" | 5⁄8"-18 UNF RH | 3-7⁄8" | 10-3⁄4# |
| 1890-064 | G1-1/2 RH BSP | 1⁄4" | 3⁄4" | 3⁄4" | 88.9 | 293 | 66.6 | 30.2 | 20.6 | 63.5 | 3⁄4" | 89 | 3⁄4" | 48.4 | 69.8 | 17.5 | 190 | 1⁄4" | 5⁄8"-18 UNF RH | 97.6 | 4.9Kg |






