
| 介质 空气 最大使用压力: | DN | 145 PSI | 10 bar | |
| 介质 液压油 最大使用压力: | 3000 PSI | 207 bar | ||
| 最大真空度: | 28" Hg | |||
| 最高使用速度(转子): | ||||
| DN | 250 RPM | 250 min-1 | ||
| 最高使用温度: | 120℃ | >120℃ 请咨询创启旋转接头 | ||

a.旋转轴
b.壳体
e—连接螺纹
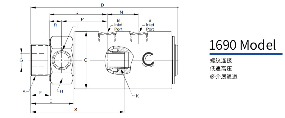
| 1690型两通路液压旋转接头 - 双通路 - 螺纹连接 | ||||||||||||||||
| Model | B Port NPT | A Rotor Thread | C Dia. | D | E | F | G Rotor ID | H** Across Flats | I Tap NPT | J Lock-up | K Tap NPT | N | P | R | S | Shpg Wt. |
| 1690-000-115 | (2)x1⁄4" | 1" NPT RH | 2-5⁄8" | 5-7⁄8" | 2-3⁄16" | 1-1⁄8" | 5⁄16" | 46 | 1⁄4" | 2-5⁄8" | 1⁄4" | 1-5⁄32" | 1-11⁄16" | ⁄2" | – | 3-1⁄2# |
| 1690-000-102* | (2)x1⁄4" | 1" NPT RH | 2-5⁄8" | 5-7⁄8" | 2-3⁄16" | 1-1⁄8" | 11⁄16" | 46 | 1⁄4" | 2-5⁄8" | 1⁄4" | 1-5⁄32" | 1-11⁄16" | ⁄2" | 3-25⁄32" | 3-1⁄2# |
| 1690-000-168 | (2)x1⁄4" | G1" (BSP) RH | 66.6 | 150 | 55.5 | 18 | 7.9 | 46 | 1⁄4" | 67.8 | 1⁄4" | 29.4 | 42.9 | 17 | – | 1.6 Kg |
| 1690-000-105* | (2)x1⁄4" | G1" (BSP) RH | 66.6 | 150 | 55.5 | 18 | 7.9 | 46 | 1⁄4" | 67.8 | 1⁄4" | 29.4 | 42.9 | 17 | 96 | 1.6 Kg |






