
| 介质 冷却水 最大使用压力: | 240 PSI | 16 bar | ||
| 介质 空气 最大使用压力: | 240 PSI | 16 bar | ||
| 介质 油 最大使用压力: | 240 PSI | 16 bar | ||
| 最高使用速度(转子): | ||||
| 介质 水 最大使用速度: | 3000 RPM | 3000 min-1 | ||
| 介质 空气 最大使用速度: | 3000 RPM | 3000 min-1 | ||
| 介质 油 最大使用速度: | 3000 RPM | 3000 min-1 | ||
| 最高使用温度: | 150℃ | >150℃ 请咨询创启旋转接头 | ||


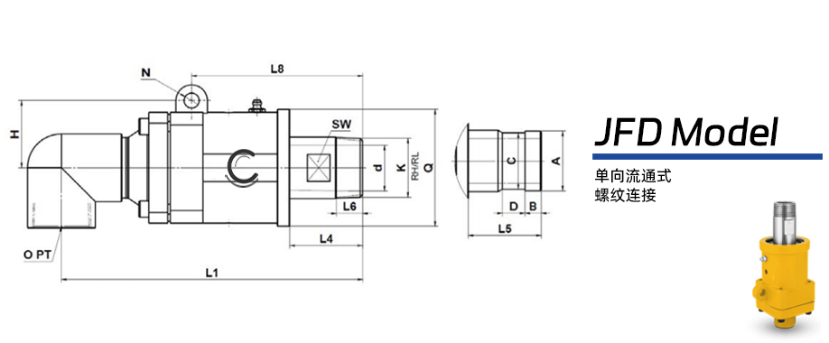
| JFD型冷却水机械密封旋转接头-单向流通式-螺纹连接 | |||||||||||||||||
| Order-No. | K | O | L1 | L4 | L6 | L8 | N | L8 | Q | SW | d | H | A(d8) | B | C | D | L5 |
| 20A 3/4" | R3/4" | Rc3/4" | 198 | 48 | 18 | 8 | 124.5 | 55 | 24 | 17 | 36 | 26 | 11 | 24.4 | 15 | 53 | 53 |
| 25A 1" | R1" | Rc1" | 203 | 53 | 20 | 10 | 124 | 72 | 30 | 24 | 43 | 32.3 | 11 | 30.7 | 15 | 53 | 53 |
| 32A 1-1/4" | R1-1/4" | Rc1-1/4" | 228 | 58 | 22 | 12 | 130.5 | 83.5 | 42 | 32 | 53.5 | 41 | 13 | 39.4 | 19 | 62 | 62 |
| 40A 1-1/2" | R1-1/2" | Rc1-1/2" | 242 | 61 | 24 | 12 | 138 | 93 | 45 | 36 | 53.5 | 47.5 | 13 | 45 | 23 | 61 | 61 |
| 50A 2" | R2" | Rc2" | 277 | 64 | 28 | 12 | 165 | 117 | 59 | 50 | 75 | 59 | 16 | 56.7 | 23 | 74 | 74 |
| 65A 2-1/2" | R2-1/2" | Rc2-1/2" | 313 | 73 | 30 | 12 | 198 | 142 | 73 | 59 | 84 | 72 | 19 | 69 | 27 | 77 | 61 |
| 80A 3" | R3" | Rc3" | 342 | 88 | 32 | 12 | 211 | 142 | 86 | 74 | 84 | 89.8 | 20 | 86 | 27 | 79 | 74 |
| 本公司对旋转接头产品规格、设计特性均不断改进,上述规格尺寸等参数如有变更,恕不另行通知! | |||||||||||||||||

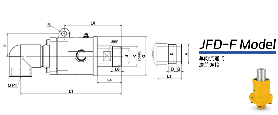
| JFD-F型冷却水机械密封旋转接头-单向流通式-法兰连接 | |||||||||||||||||
| Order-No. | K | O | L1 | L4 | L6 | L8 | N | L8 | Q | SW | d | H | A(d8) | B | C | D | L5 |
| 20A 3/4" | R3/4" | Rc3/4" | 198 | 48 | 18 | 8 | 124.5 | 55 | 24 | 17 | 36 | 26 | 11 | 24.4 | 15 | 53 | 53 |
| 25A 1" | R1" | Rc1" | 203 | 53 | 20 | 10 | 124 | 72 | 30 | 24 | 43 | 32.3 | 11 | 30.7 | 15 | 53 | 53 |
| 32A 1-1/4" | R1-1/4" | Rc1-1/4" | 228 | 58 | 22 | 12 | 130.5 | 83.5 | 42 | 32 | 53.5 | 41 | 13 | 39.4 | 19 | 62 | 62 |
| 40A 1-1/2" | R1-1/2" | Rc1-1/2" | 242 | 61 | 24 | 12 | 138 | 93 | 45 | 36 | 53.5 | 47.5 | 13 | 45 | 23 | 61 | 61 |
| 50A 2" | R2" | Rc2" | 277 | 64 | 28 | 12 | 165 | 117 | 59 | 50 | 75 | 59 | 16 | 56.7 | 23 | 74 | 74 |
| 65A 2-1/2" | R2-1/2" | Rc2-1/2" | 313 | 73 | 30 | 12 | 198 | 142 | 73 | 59 | 84 | 72 | 19 | 69 | 27 | 77 | 61 |
| 80A 3" | R3" | Rc3" | 342 | 88 | 32 | 12 | 211 | 142 | 86 | 74 | 84 | 89.8 | 20 | 86 | 27 | 79 | 74 |
| 本公司对旋转接头产品规格、设计特性均不断改进,上述规格尺寸等参数如有变更,恕不另行通知! | |||||||||||||||||

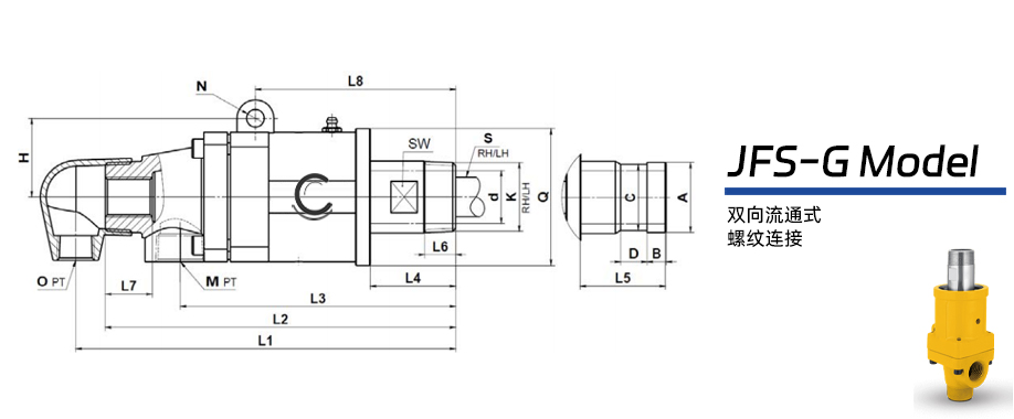
| JFS-G型冷却水机械密封旋转接头-双向流通式-螺纹连接 | |||||||||||||||||||||
| Order-No. | K | M | O | S | L1 | L2 | L3 | L4 | L6 | L7 | L8 | N | SW | d | Q | H | A(d8) | B | C | D | L5 |
| 20A 3/4" | R3/4" | Rc1/2" | Rc1/2" | G1/4" | 205 | 198 | 162 | 48 | 18 | 27 | 124.5 | 8 | 24 | 17 | 55 | 36 | 26 | 11 | 24.4 | 15 | 53 |
| 25A 1" | R1" | Rc3/4" | Rc1/2" | G3/8" | 236 | 223 | 173 | 53 | 20 | 29 | 124 | 10 | 30 | 24 | 72 | 43 | 32.3 | 11 | 30.7 | 15 | 53 |
| 32A 1-1/4" | R1-1/4" | Rc1" | Rc1/2" | G1/2" | 251 | 235 | 189 | 58 | 22 | 26 | 130.5 | 12 | 42 | 32 | 83.5 | 53.5 | 41 | 13 | 39.4 | 19 | 62 |
| 40A 1-1/2" | R1-1/2" | Rc1-1/4" | Rc3/4" | G3/4" | 260 | 240 | 189 | 61 | 24 | 32 | 138 | 12 | 45 | 36 | 93 | 53.5 | 47.5 | 13 | 45 | 23 | 61 |
| 50A 2" | R2" | Rc1/2" | Rc1" | G1" | 327 | 303 | 240 | 64 | 28 | 40 | 165 | 12 | 59 | 50 | 117 | 75 | 59 | 16 | 56.7 | 23 | 74 |
| 65A 2-1/2" | R2-1/2" | Rc2" | Rc1-1/4" | G1-1/4" | 388 | 363 | 274 | 77 | 30 | 40 | 198 | 12 | 73 | 59 | 142 | 84 | 72 | 19 | 69 | 27 | 77 |
| 80A 3" | R3" | Rc2-1/2" | Rc1-1/2" | G1-1/2" | 403 | 374 | 289 | 88 | 32 | 40 | 211 | 12 | 86 | 74 | 142 | 84 | 89.8 | 20 | 86 | 27 | 79 |
| 本公司对旋转接头产品规格、设计特性均不断改进,上述规格尺寸等参数如有变更,恕不另行通知! | |||||||||||||||||||||

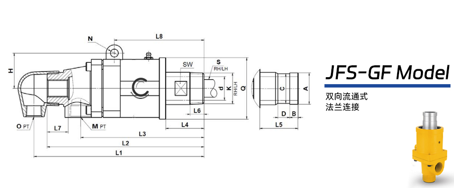
| JFS-GF型冷却水机械密封旋转接头-双向流通式-法兰连接 | |||||||||||||||||||||
| Order-No. | K | M | O | S | L1 | L2 | L3 | L4 | L6 | L7 | L8 | N | SW | d | Q | H | A(d8) | B | C | D | L5 |
| 20A 3/4" | R3/4" | Rc1/2" | Rc1/2" | G1/4" | 205 | 198 | 162 | 48 | 18 | 27 | 124.5 | 8 | 24 | 17 | 55 | 36 | 26 | 11 | 24.4 | 15 | 53 |
| 25A 1" | R1" | Rc3/4" | Rc1/2" | G3/8" | 236 | 223 | 173 | 53 | 20 | 29 | 124 | 10 | 30 | 24 | 72 | 43 | 32.3 | 11 | 30.7 | 15 | 53 |
| 32A 1-1/4" | R1-1/4" | Rc1" | Rc1/2" | G1/2" | 251 | 235 | 189 | 58 | 22 | 26 | 130.5 | 12 | 42 | 32 | 83.5 | 53.5 | 41 | 13 | 39.4 | 19 | 62 |
| 40A 1-1/2" | R1-1/2" | Rc1-1/4" | Rc3/4" | G3/4" | 260 | 240 | 189 | 61 | 24 | 32 | 138 | 12 | 45 | 36 | 93 | 53.5 | 47.5 | 13 | 45 | 23 | 61 |
| 50A 2" | R2" | Rc1/2" | Rc1" | G1" | 327 | 303 | 240 | 64 | 28 | 40 | 165 | 12 | 59 | 50 | 117 | 75 | 59 | 16 | 56.7 | 23 | 74 |
| 65A 2-1/2" | R2-1/2" | Rc2" | Rc1-1/4" | G1-1/4" | 388 | 363 | 274 | 77 | 30 | 40 | 198 | 12 | 73 | 59 | 142 | 84 | 72 | 19 | 69 | 27 | 77 |
| 80A 3" | R3" | Rc2-1/2" | Rc1-1/2" | G1-1/2" | 403 | 374 | 289 | 88 | 32 | 40 | 211 | 12 | 86 | 74 | 142 | 84 | 89.8 | 20 | 86 | 27 | 79 |
| 本公司对旋转接头产品规格、设计特性均不断改进,上述规格尺寸等参数如有变更,恕不另行通知! | |||||||||||||||||||||

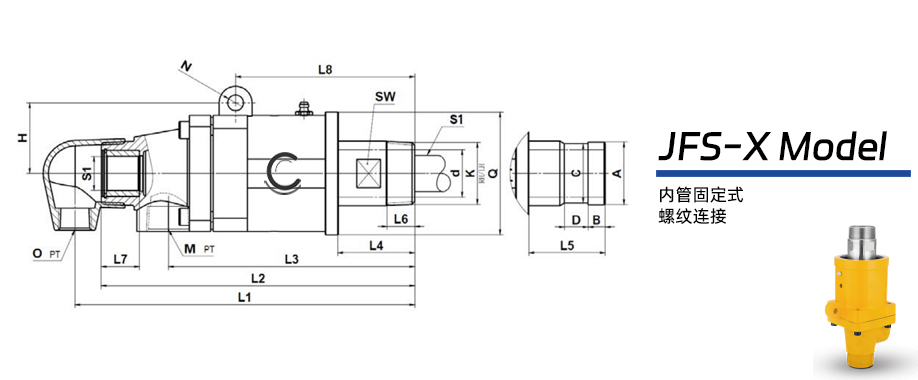
| JFS-X型冷却水机械密封旋转接头-内管固定式-螺纹连接 | |||||||||||||||||||||
| Order-No. | K | M | O | S1(e8) | L1 | L2 | L3 | L4 | L6 | L7 | L8 | N | SW | d | Q | H | A(d8) | B | C | D | L5 |
| 20A 3/4" | R3/4" | Rc1/2" | Rc1/2" | 11.9 | 205 | 195 | 162 | 54 | 18 | 20 | 124.5 | 8 | 24 | 17 | 55 | 36 | 26 | 11 | 24.4 | 15 | 53 |
| 25A 1" | R1" | Rc3/4" | Rc1/2" | 15.9 | 235 | 220 | 173 | 54 | 20 | 25 | 124 | 10 | 30 | 21.6 | 72 | 43 | 32.3 | 11 | 30.7 | 15 | 53 |
| 32A 1-1/4" | R1-1/4" | Rc1" | Rc1/2" | 19.9 | 251 | 229 | 189 | 58 | 22 | 15 | 130.5 | 12 | 42 | 32 | 83.5 | 53.5 | 41 | 13 | 39.4 | 19 | 62 |
| 40A 1-1/2" | R1-1/2" | Rc1-1/4" | Rc3/4" | 25.9 | 260 | 236 | 189 | 56 | 22 | 25 | 138 | 12 | 45 | 36 | 93 | 53.5 | 47.5 | 13 | 45 | 23 | 61 |
| 50A 2" | R2" | Rc1/2" | Rc1" | 31.9 | 325 | 299 | 238 | 63 | 28 | 30 | 165 | 12 | 59 | 50 | 117 | 75 | 59 | 16 | 56.7 | 23 | 74 |
| 65A 2-1/2" | R2-1/2" | Rc2" | Rc1-1/4" | 40 | 388 | 351 | 271 | 73 | 30 | 25 | 198 | 12 | 73 | 59 | 142 | 84 | 72 | 19 | 69 | 27 | 77 |
| 80A 3" | R3" | Rc2-1/2" | Rc1-1/2" | 46 | 403 | 367 | 289 | 88 | 32 | 30 | 211 | 12 | 86 | 74 | 142 | 84 | 89.8 | 20 | 86 | 27 | 79 |
| 本公司对旋转接头产品规格、设计特性均不断改进,上述规格尺寸等参数如有变更,恕不另行通知! | |||||||||||||||||||||

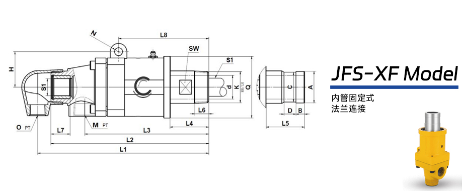
| JFS-XF型冷却水机械密封旋转接头-内管固定式-法兰连接 | |||||||||||||||||||||
| Order-No. | K | M | O | S1(e8) | L1 | L2 | L3 | L4 | L6 | L7 | L8 | N | SW | d | Q | H | A(d8) | B | C | D | L5 |
| 20A 3/4" | R3/4" | Rc1/2" | Rc1/2" | 11.9 | 205 | 195 | 162 | 54 | 18 | 20 | 124.5 | 8 | 24 | 17 | 55 | 36 | 26 | 11 | 24.4 | 15 | 53 |
| 25A 1" | R1" | Rc3/4" | Rc1/2" | 15.9 | 235 | 220 | 173 | 54 | 20 | 25 | 124 | 10 | 30 | 21.6 | 72 | 43 | 32.3 | 11 | 30.7 | 15 | 53 |
| 32A 1-1/4" | R1-1/4" | Rc1" | Rc1/2" | 19.9 | 251 | 229 | 189 | 58 | 22 | 15 | 130.5 | 12 | 42 | 32 | 83.5 | 53.5 | 41 | 13 | 39.4 | 19 | 62 |
| 40A 1-1/2" | R1-1/2" | Rc1-1/4" | Rc3/4" | 25.9 | 260 | 236 | 189 | 56 | 22 | 25 | 138 | 12 | 45 | 36 | 93 | 53.5 | 47.5 | 13 | 45 | 23 | 61 |
| 50A 2" | R2" | Rc1/2" | Rc1" | 31.9 | 325 | 299 | 238 | 63 | 28 | 30 | 165 | 12 | 59 | 50 | 117 | 75 | 59 | 16 | 56.7 | 23 | 74 |
| 65A 2-1/2" | R2-1/2" | Rc2" | Rc1-1/4" | 40 | 388 | 351 | 271 | 73 | 30 | 25 | 198 | 12 | 73 | 59 | 142 | 84 | 72 | 19 | 69 | 27 | 77 |
| 80A 3" | R3" | Rc2-1/2" | Rc1-1/2" | 46 | 403 | 367 | 289 | 88 | 32 | 30 | 211 | 12 | 86 | 74 | 142 | 84 | 89.8 | 20 | 86 | 27 | 79 |
| 本公司对旋转接头产品规格、设计特性均不断改进,上述规格尺寸等参数如有变更,恕不另行通知! | |||||||||||||||||||||








