网站首页
关于我们
悟空体育棋牌
新闻资讯
应用案例
联系我们
用于空气介质旋转接头
您当前所在的位置:
首页
->
悟空体育棋牌
->
用于空气介质旋转接头
Y6型六通路通气旋转接头
发表时间:2025-02-09 14:36:33 | 点击率:63
产品特点
PRODCUT FEATUREA
1. 有六个独立的流通通路。
2. 内部采用耐磨耐高压密封件密封。
3. 壳体内部两端采用两个球轴承支撑,球轴承配有双面防尘盖,是一种内部支撑式旋转接头。
4.由于在运转时,密封面之间存在摩擦扭矩,安装
旋转接头
时,需要外部采用止转杆止转,或依靠壳体上的进口、出口连接管路止转。
5. 旋转接头和管路连接时,通过 M 接口连接,流通高压液压油,推荐使用高压胶管。流通低压气体,推荐使用气线。
6. 旋转接头外管(转轴)和设备中旋转的轴头连接,是主要的运动部件。
7. 全流通设计,流通通畅。
可完美代替杜博林(DEUBLIN)、德国梅尔(Maier)、意大利(Rotoflux)、Duff-Norton、SMC
技术参数
PATMETERS
介质 液压油 最大使用压力:
5800 PSI
400 bar
介质 空气 最大使用压力:
5800 PSI
400 bar
介质 水 最大使用压力:
5800 PSI
400 bar
最高使用速度(转子):
介质 液压油 最大使用速度:
200 RPM
200 min-1
介质 空气 最大使用速度:
200 RPM
200 min-1
介质 水 最大使用速度:
200 RPM
200 min-1
最高使用温度:
120℃
>120℃ 请咨询创启旋转接头
内部结构
INTERNAL STRUCTURE
Y6型六通路
通气旋转接头
零件名称:
7.外管(K)(转轴),11.壳体。
K—外管(转轴)代号,M—管路接口代号,P—转轴接口代号。
产品介绍
Product Description
Y6型六通路通气旋转接头
系高压系列旋转接头的一种,它有四个独立的介质通道,可用于高压低速或高压高速(需订制)工况,不仅可以流通冷却水、超纯水、压缩空气、冷却液等常规流体介质,还可以在高压工况下流通液压油、干油、稀油、齿轮油等高压流通介质。主要用于工程机械、挖掘机、起重机、圆形喷灌机、指针式喷灌机、旋转喷灌臂、青贮饲料收获机割转台、转炉倾动装置、连铸机结晶器振动装置、卷取机、开卷机、纸机卷取部、纸机压光机、注塑机旋转工作台、吹塑机旋转模头等,还可以用于机床行业流通切削液和清洗行业流通高压清洗液等。
六通路通气旋转接头的使用参数随其转速、温度、压力的不同,其使用极限值也不同。在特殊条件下,请与山东创启技术部联系。最高使用温度为 200℃或大于300RPM转速,需要定做。流通气体,压力有较低要求的,有较低扭矩要求的,需要说明定做。安装说明,见本站
《液压旋转接头管路手册》
。
技术参数
Technical Specifications
Y6X8A型六通路通气旋转接头图纸及简介
1.连接尺寸可以定做。
Y6X8B型六通路通气旋转接头图纸及简介
1.连接尺寸可以定做。
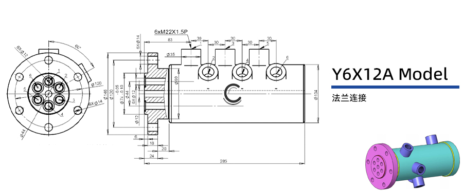
Y6X12A型六通路通气旋转接头图纸及简介
1.连接尺寸可以定做。
2.安装说明,见《液压旋转接头管路手册》。
Y6X12B型六通路通气旋转接头图纸及简介
1.连接尺寸可以定做。
2.安装说明,见《液压旋转接头管路手册》。
使用说明
Instructions for Use
实践证明,旋转接头使用寿命短,主要是流经介质中含有硬质颗粒或其它污物引起。因此,在介质通入管路前,清洁管路和设备内部及旋转接头内部是极为重要的。
流经的介质中的杂质会引起旋转接头密封失效。旋转接头密封件的使用寿命也主要由流经介质的过滤精度决定。随着流经介质过滤精度的提高,将会显著地提高旋转接头的使用寿命。推荐在管路中安装过滤装置,推荐的过滤精度不低于 50 微米。
Y6型六通路通气旋转接头实物图
Y6型六通路通气旋转接头实物图
Y6型压缩空气五通路旋转接头实物图
Y6型六通路通气旋转接头三维立体图
Y6X8A型六通路通气旋转接头三维立体图
Y6X8B型六通路通气旋转接头三维立体图
Y6X12A型六通路通气旋转接头三维立体图
Y6X12B型六通路通气旋转接头三维立体图
上一篇:
JF型机械密封旋转接头
下一篇:
Y5型通气五通路旋转接头
栏目导航
Column
悟空体育备用网站真人官网
悟空体育安卓客户端
悟空体育首页
密封叠环
用于钢铁电力行业
用于连轧连铸机械
用于水介质旋转接头
用于蒸汽介质旋转接头
用于空气介质旋转接头
用于导热油介质旋转接头
悟空体育备网址
用于多介质通道旋转接头
异形非标订制旋转接头系列
24小时全国服务热线
13280260550
扫一扫添加微信
扫一扫添加QQ
扫一扫电话咨询
悟空体育棋牌
悟空体育备用网站真人官网 >
悟空体育安卓客户端
悟空体育首页 >
密封叠环>
用于钢铁电力行业>
用于连轧连铸机械>
用于水介质旋转接头>
用于蒸汽介质旋转接头>
用于空气介质旋转接头>
用于导热油介质旋转接头>
悟空体育备网址
用于多介质通道旋转接头>
异形非标订制旋转接头系列>
关于我们
公司简介>
服务支持>
荣誉资质>
营销网络>
新闻资讯
公司新闻>
行业动态>
版权所有:悟空体育体育app网站网址 备案号:
鲁ICP备2022011306号-3
官方微信
客服电话
13280260550