
| 介质 空气 最大使用压力: | 145 PSI | 10 bar | ||
| 介质 液压油(高转速) 最大使用压力: | 870 PSI | 60 bar | ||
| 介质 液压油(低转速) 最大使用压力: | 3626 PSI | 250 bar | ||
| 最大真空度: | 10~100 | 2 Hg | 7 kPa | |
| 最高使用速度(转子): | ||||
| 250 RPM | 250 min-1 | |||
| 介质通道最大流量 | 1479 series | 28.5 GPM | 108 I/min-1 | |
| 40-50 | 300 RPM | 300 min-1 | ||
| 最高使用温度: | 80℃ | >80℃ 请咨询创启旋转接头 | ||


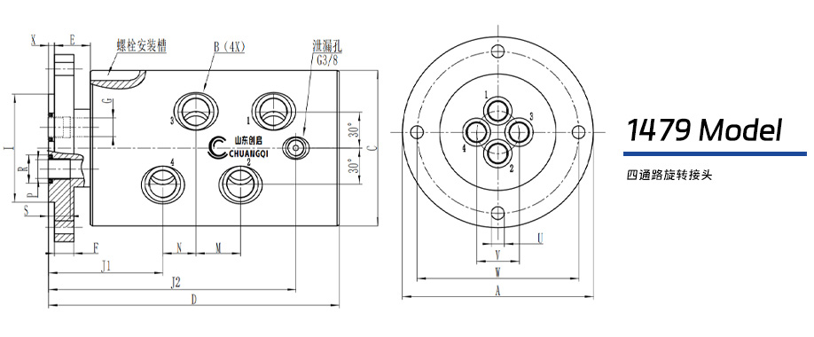
| 1479系列四通路旋转接头 | |||||||||||||||||||||||||
| DN | Model | A Φ | B | C Φ | D | E | F | G Φ | I ΦPT | J1 | J2 | M | N | P Φ | R Φ | S | U Φ | V Φ | W Φ | X | Kg | ||||
| 4×15 | 1479-100 | 130 | G1/2 | 108 | 202 | 25 | 13.5 | 13 | 75.000 74.981 | 79.5 | 172 | 31 | 23 | 13 | 19.7 | 15 | 9 | 29 | 110 | 4 | 12.7 | ||||
| 4×15 | 1479-400 | 130 | 1/2 NPT | 108 | 202 | 25 | 13.5 | 13 | 75.000 74.981 | 79.5 | 172 | 31 | 23 | 13 | 19.7 | 15 | 9 | 29 | 110 | 4 | 12.7 | ||||
| 4×15 | 1479-800 | 130 | G1/2 | 108 | 202 | 25 | 13.5 | 13 | 75.000 74.981 | 79.5 | 172 | 31 | 23 | 13 | 19.7 | 15 | 9 | 29 | 110 | 4 | 12.7 | ||||


